- 信息时间:2021-10-15 10:06
- 浏览次数:
DA/T 45—2009自2010年1月实施以来已有10年。为更好地保护档案安全、信息安全和人员安全,合理规范对高压细水雾灭火系统进行设计、施工、验收和维护管理,根据2019年7月国家档案局办公室关于印发《全国档案工作标准化技术委员会第二十七次年会会议纪要》的通知,上海市档案局和上海市浦东新区档案局会同有关单位,对DA/T 45—2009进行了修订。
《档案馆高压细水雾灭火系统技术规范》代替DA/T45-2009《档案馆高压细水雾灭火系统技术规范》,主要修改包括更改了高压细水雾灭火系统的适用范围,删除了高压细水雾灭火系统不宜保护的档案库房类型,更改了各应用场所系统喷雾强度与喷头选型的设计参数,更改了高压细水雾雾滴直径的要求等。
档案馆高压细水雾灭火系统技术规范(DA/T 45—2021)
1 范围
本文件规定了高压细水雾灭火系统的设计、施工、验收及维护管理的技术要求。
本文件适用于档案馆中设置的高压细水雾灭火系统。
2 规范性引用文件
下列文件中的内容通过文中的规范性引用而构成本文件必不可少的条款。其中,注日期的引用文件,仅该日期对应的版本适用于本文件;不注日期的引用文件,其最新版本(包括所有的修改单)适用于本文件。
GB/T 985.1 气焊、焊条电弧焊、气体保护焊和高能束焊的推荐坡口
GB 5749 生活饮用水卫生标准
GB/T 12771 流体输送用不锈钢焊接钢管
GB/T 14976 流体输送用不锈钢无缝钢管
GB 16806 消防联动控制系统
GB 17324 瓶(桶)装饮用纯净水卫生标准
GB/T 20878 不锈钢和耐热钢 牌号及化学成分
GB 50116 火灾自动报警系统设计规范
GB 50166 火灾自动报警系统施工及验收标准
GB 50231 机械设备安装工程施工及验收通用规范
GB 50235 工业金属管道工程施工规范
GB 50236 现场设备、工业管道焊接工程施工规范
GB 50275 风机、压缩机、泵安装工程施工及验收规范
GB 50898 细水雾灭火系统技术规范
JGJ 25 档案馆建筑设计规范
3 术语和符号
3.1 术语
JGJ 25、GB 50898界定的以及下列术语和定义适用于本文件。
3.1.1细水雾 water mist
水在最小设计工作压力下,经喷头喷出并在喷头轴线向下1.0 m 处的平面上所产生的雾滴直径Dv0.50小于200 μm,Dv0.99小于400 μm 的水雾滴。
[来源:GB 50898—2013,2.1.1]
3.1.2细水雾灭火系统 water mist fire protection system
由一个或多个细水雾喷头、供水管网、加压供水设备及相关控制装置等组成,能在发生火灾时向保护对象或空间喷放细水雾产生扑灭、抑制或控制火灾效果的自动系统。
3.1.3高压细水雾 high pressure water mist
细水雾喷头设计工作压力不小于10 MPa,经喷头喷出并在喷头轴线向下1.0m 处的平面上形成的雾滴直径Dv0.99小于100 μm 的水雾。
3.1.4高压细水雾灭火系统 high pressure water mist system
系统工作压力大于或等于3.5 MPa的细水雾灭火系统。
3.1.5防护区 enclosure
能够满足细水雾灭火系统灭火要求的封闭或者部分封闭的空间。
3.1.6分区控制阀 section valve
接收系统控制盘的控制信号而开启,使细水雾喷头向对应的防护对象喷放实施灭火的控制阀。
3.1.7泵组式系统 pumped water mist system
采用水泵对系统进行加压供水的细水雾灭火系统。
[来源:GB 50898—2013,2.1.4,有修改]
3.1.8瓶组式系统 self-contained water mist system
采用瓶组贮存的加压气源并对系统加压供水的细水雾灭火系统。
[来源:GB 50898—2013,2.1.5,有修改]
3.1.9开式系统 open water mist system
以火灾探测系统的报警信号作为启动信号,自动控制分区控制阀和水泵启动,通过供水管网、开式喷头向防护区内喷放细水雾进行灭火的系统。
注: 开式系统按应用方式又分为开式全室应用系统、开式分区应用系统和开式局部应用系统。
3.1.10开式全室应用系统 total compartment application water mist system
向整个防护区内均匀地喷放细水雾,保护其内部所有保护对象的细水雾灭火系统。
3.1.11闭式系统 closed water mist system
通过喷头感温元件打开闭式喷头,向防护区内喷放细水雾进行灭火的系统。
注: 闭式系统分为闭式湿式系统和闭式预作用系统。
3.1.12响应时间 response time
系统从火灾自动报警系统发出灭火指令起至系统中最不利点喷头喷出细水雾的时间。
[来源:GB 50898—2013,2.1.10]
3.2 符号
下列符号适用于本文件。
C——管道摩阻系数;
d——管道内径;
f——摩阻系数;
K ——喷头流量系数;
L——管道计算长度;
n——累计计算喷头数;
P ——喷头的设计工作压力;
Pe——最不利点处喷头与贮水箱最低水位的高差;
Pf——管道的总水头损失;
Ps——最不利点处喷头的工作压力;
Pt——系统的设计供水压力;
Qs——系统设计流量;
Q——管道的流量;
q——喷头的设计流量;
qi——计算喷头的设计流量;
Re——雷诺数;
t——系统的设计喷雾时间;
k——系统的设计流量安全系数;
V——贮水箱设计所需有效容积;
ρ——流体密度;
μ——动力粘度;
Δ——管道相对粗糙度;
ε——管道粗糙度。
4 系统设计
4.1 一般规定
4.1.1 高压细水雾灭火系统适用于建标103—2008所定义的各类档案库房、对外服务用房、档案业务与技术用房、办公用房和附属用房。
4.1.2 档案馆高压细水雾灭火系统的设计应依据设定的消防目标,结合防护对象的功能、几何特性和火灾特性,合理选择系统类型,积极采用新技术、新设备、新材料,做到安全可靠、技术先进、经济合理。
4.1.3 档案馆高压细水雾灭火系统的设计应考虑下列因素:
a) 防护对象可能存在的火灾特性;
b) 防火性能目标;
c) 防护空间的几何尺寸;
d) 环境风速或通风状况;
e) 火灾探测系统类型;
f) 高压细水雾灭火系统的启动方式;
g) 喷头的性能及管道、喷头的布置方式;
h) 最高或最低环境温度。
4.1.4 高压细水雾灭火系统的设计应包含下列基本参数:
a) 喷头的流量系数,喷头的设计工作压力、最小工作压力;
b) 系统的喷雾强度、闭式系统的作用面积;
c) 喷头最大间距、最大安装高度及喷头距墙的最大距离;
d) 系统的喷雾时间和作用面积。
4.1.5 高压细水雾系统的防护区应符合下列要求:
a) 防护区内应设置声、光报警装置及应急照明和疏散指示标志;
b) 防护区的入口处应设置喷放指示装置;
c) 防护区的疏散门应向疏散方向开启。
4.1.6 采用开式全室应用系统时,防护区内影响灭火有效性的开口宜在系统动作时联动关闭。当这些开口不能在系统启动时自动关闭,宜在该开口部位的上方增设补偿喷头。
4.1.7采用开式局部应用和分区应用系统时,周围气流速度不宜超过3 m/s,超过时应采取围挡措施。
4.2 系统选型
4.2.1 档案馆各类用房设置高压细水雾灭火系统时,应根据防护对象的防火性能目标、火灾特性和防护区的使用性质、几何尺寸以及环境因素确定系统的类型。
4.2.2系统选型应符合下列规定:
a) 以密集架柜存储的档案库房、电子信息机房、档案业务与技术用房(含保护、缩微、数字化)等宜选择开式系统。
b) 采用非密集柜存储的档案库房、对外服务用房、办公用房和附属用房,宜选择闭式系统。
4.2.3当防护区的电力供给无保障,且防护区体积不大于260 m3 时,可选用瓶组式系统;其他防护区应选用泵组式系统。
4.3 设计参数
4.3.1开式高压细水雾系统设计持续喷雾时间应不少于30 min,电子信息机房开式高压细水雾系统设计持续喷雾时间不少于20 min。
4.3.2开式高压细水雾系统的响应时间应不大于30 s。
4.3.3开式全室应用系统应用于档案库房,所保护的单个防护区最大面积不宜大于1000 m2,体积不宜大于3000 m3;当超过该面积及体积时,应以相关的火灾实验为依据或采用开式分区应用系统;当防护区进行分区保护时,每个分区的面积不宜小于140 m2。
4.3.4开式分区应用系统的作用面积应为需同时启动相邻分区控制阀对应的保护面积之和,每个分区控制阀的保护面积不宜小于140 m2。
当在相邻部位交错重叠布置喷头时,系统的作用面积可只按一个分区和喷头交错部分的保护面积之和确定。喷头重叠部位的宽度不应小于3 m,水雾喷头布置应不少于2 排,喷头间距应不大于2.5 m,排间距宜为1.25 m~1.50 m。
4.3.5开式全室应用系统和开式分区应用系统设计参数可根据表1确定。


4.3.6闭式高压细水雾系统的作用面积为140 m2,设计持续喷雾时间应不少于30 min。
4.3.7闭式高压细水雾灭火系统的设计参数可根据表2确定。

4.3.8闭式系统应设置与楼层或保护区域一一对应的分区控制阀,且水流信号应反馈至消防控制室。每个分区控制阀所对应的保护区域面积不应超过1 000 m2 或喷头总数不应超过100只。
4.3.9当场所的保护类型、喷雾强度、喷头设计工作压力、安装高度等不满足4.3.5和4.3.7的规定时,系统的设计参数及喷头布置应经第三方权威机构认可的火灾模拟试验来确定。
4.3.10 为确定系统设计参数的火灾模拟试验应符合附录A 的规定。在工程应用中采用实体模拟试验结果时,应符合下列规定:
a) 系统设计喷雾强度不应小于试验所用喷雾强度;
b) 喷头最低工作压力不应小于试验测得最不利点喷头的工作压力;
c) 喷头布置间距和安装高度分别不应大于试验时的喷头间距和安装高度;
d) 喷头的安装角度应与试验安装角度一致。
4.4 喷头布置
4.4.1 除局部应用高压细水雾灭火系统外,喷头宜按正方形布置;喷头最大安装间距不宜大于3.0 m,喷头距离墙壁或水平障碍物的距离不应大于1.5 m。
4.4.2 闭式细水雾系统的喷头布置除满足4.4.1的规定外,尚应符合下列规定:
a) 闭式喷头的响应时间指数不大于30(m·s)0.5;
b) 闭式喷头的最小安装间距不应小于2.0 m;
c) 闭式喷头应布置在楼板或吊顶下,喷头的感温组件与顶棚或梁底的距离不宜小于75 mm,并不宜大于150 mm。当场所内设置吊顶时,喷头可贴临吊顶布置;
d) 闭式喷头与保护对象之间不宜有遮挡物,喷头与遮挡物的距离应保证遮挡物不影响喷头正常喷放细水雾;当无法避免时,应采取补偿措施。
4.4.3 细水雾喷头布置于电缆层或地板下时,或当净空高度小于0.8 m 时,宜选择适用于低矮空间的喷头;系统的设计参数及其喷头的布置间距宜符合表3的规定。

4.4.4开式系统的喷头布置应能保证细水雾喷放均匀并完全覆盖保护区域,并应符合下列规定:
a) 喷头与墙壁的距离不应大于喷头最大布置间距的二分之一;
b) 喷头与其他遮挡物的距离应保证遮挡物不影响喷头正常喷放细水雾;当无法避免时,应采取补偿措施;
c) 对于电缆隧道或夹层,喷头宜布置在电缆隧道或夹层的上部,并应能使细水雾完全覆盖整个电缆或电缆桥架。
4.4.5 开式系统用于密集架柜存储的档案库房时,其喷头布置应能保证细水雾完全包络或覆盖密集架柜,喷头与密集架柜的距离不宜小于1.0 m。
4.4.6 喷头与无绝缘带电设备的最小距离不应小于表4的规定。

4.4.7用于保护珍贵档案的库房和电子信息机房的喷头前段应加防滴漏单向阀,防止高压细水雾自动灭火系统工作结束后,管道残留水顺着喷头滴入防护区。
4.5 水力计算
4.5.1 高压细水雾系统管道的水头损失应按式(1)~式(3)计算:

式中:
f ———摩阻系数,根据Re 和Δ 值按照附录B的规定确定;
ρ ———水的密度(kg/m3),查附录C确定;
d ———管道内径,单位为毫米(mm);
Q ———管道的流量,单位为升每分(L/min);
L ———管道计算长度,单位为米(m);
Pf———系统管道的水头损失,包括沿程水头损失和局部水头损失,单位为兆帕(MPa);
Re ———雷诺数;
μ ———动力粘度(cp),按照附录C的规定确定;
Δ ———管道相对粗糙度;
ε ———管道粗糙度(mm)。对于铜管,取0.001 5 mm;对于不锈钢管,取0.045 mm。
4.5.2 管件及阀门的局部水头损失宜根据其相应的当量长度计算。对于不锈钢管件和阀门,其当量长度可按附录D确定。
4.5.3 系统管道内的水流速度不宜大于10 m/s,不应超过20 m/s。
4.5.4 系统的设计供水压力应按式(4)计算:

式中:
Pt———系统的设计供水压力,单位为兆帕(MPa);
Pf———系统管道的水头损失,包括沿程水头损失和局部水头损失,单位为兆帕(MPa);
Pe———最不利点处喷头与贮水箱最低水位的高差,单位为兆帕(MPa);
Ps———最不利点处喷头的工作压力,单位为兆帕(MPa)。
4.5.5 喷头的设计流量应按式(5)计算:

式中:
q ———喷头的设计流量,单位为升每分(L/min);
K———喷头的流量系数,[L/min·(MPa)-1/2];
P ———喷头的设计工作压力,单位为兆帕(MPa)。
4.5.6 系统的设计流量应按式(6)计算:

式中:
Qs———系统设计流量,单位为升每分(L/min);
k ———系统设计流量安全系数,应取1.05~1.10;
n ———累计计算喷头数;
qi———计算喷头的设计流量,单位为升每分(L/min)。
4.5.7 闭式系统的设计流量,应为水力计算最不利的计算面积内所有喷头的流量之和。开式系统的设计流量应为最大一个防护区内喷头的流量之和。
4.5.8 系统设计流量的计算,应确保任意计算面积内任意4只喷头围合范围内的平均喷雾强度不低于4.3.5、4.3.7和4.3.9的规定值或火灾模拟试验确定的喷雾强度值。
4.5.9 系统贮水箱的设计所需有效容积应按式(7)计算:

式中:
V ———贮水箱的设计所需有效容积,单位为升(L);
Qs———系统设计流量,单位为升每分(L/min);
t ———系统的设计喷雾时间,单位为分(min)。
在火灾情况下能保证连续可靠补水时,泵组式系统贮水箱的储水容量可减去火灾时系统持续喷雾时间内的补充水量,但至少应保证50%的有效贮水量。
4.6 供水
4.6.1 泵组的设置应符合下列规定:
a) 水泵应设置备用泵。备用泵的工作性能应与最大一台工作泵相同,主、备用泵应具有自动切换功能,并应能手动操作停泵。主、备用泵的自动切换时间间隔不应大于30 s。
b) 闭式系统的泵组系统应设置稳压泵,稳压泵的流量不应大于系统中水力最不利点1只喷头的流量,其工作压力应满足工作泵的启动要求。
c) 当系统采用柱塞泵时,泵进水端的水压应符合水泵制造商的技术要求。
d) 泵组应采用自灌式引水。
e) 消防水泵采用电动机泵时,应按不低于二级负荷供电;采用柴油机泵时,应保证其能持续运行60 min。
4.6.2 泵组式系统应至少有一路可靠的自动补水水源,水质、水量均应满足系统要求。当水源不能满足设计要求时,泵组应设专用的贮水箱,其有效容积应符合4.5.9的规定。
4.6.3 在贮水箱入水口应设置过滤器,出水口或控制阀前宜设置过滤器,过滤器的设置位置应便于维护、更换、清洗等操作。
4.6.4系统的水质除应符合下列要求外,还应符合制造商的技术要求:
a) 泵组式系统的水质指标:固体悬浮物、浊度及自由氯离子(或氯原子)含量等指标不应低于GB 5749的规定;
b) 瓶组式系统的水质指标:固体悬浮物、浊度及自由氯离子(或氯原子)含量等指标不应低于GB 17324的规定;
c) 系统补水水源的水质应与系统的水质要求一致。
4.6.5 瓶组式系统的备用量设置,应根据防护目标的重要性、维护恢复时间等经综合考虑后确定。对于需要及时更换或维修、更换时间可能超过48 h的瓶组式系统,应按主用量的100%设置备用瓶组。
4.6.6 贮水容器组和贮气容器组的布置应便于检查、测试、重新灌装和维护、维修,其操作面距墙或操作面之间的距离不应小于0.8 m。
4.6.7 泵组控制装置应布置在干燥、通风的部位,并应便于操作和检修。
4.6.8泵组或其他供水设备应满足高压细水雾系统对流量和工作压力的要求,其工作状态及其供电状况应能在消防值班室进行监视。
4.7阀门和管道布置
4.7.1 开式系统应按防护区设置分区控制阀。分区控制阀应设置在防护区外便于操作、检查和维护的位置。
4.7.2 闭式系统应按楼层或保护区域设置分区控制阀。闭式系统中的分区控制阀应为带开关锁定或开关指示的阀组。
4.7.3当分区控制阀上无系统动作信号反馈装置时,应在分区控制阀后的主管道上设置系统动作信号反馈装置。
4.7.4 每台高压泵的出水口应设置止回阀,系统出水总管上应设置压力指示装置、手动测试阀、泄放试验阀和安全阀。
4.7.5在系统管网的最低点处应设置泄水阀,并应在每个控制阀上或其后邻近位置设置区域泄水阀。在闭式系统的最高点处宜设置手动排气阀,每个区域控制阀后的管网末端应设置试水阀。
4.7.6 系统管道应采用金属支、吊架固定。支、吊架应进行防腐处理,且应采取避免与系统管道发生电化学腐蚀的措施。
4.7.7管道支、吊架应固定在建筑构件上,并应能承受管道充满水时的重量。系统最大工作压力小于或等于1.2 MPa时,系统管道支、吊架的间距不应大于表5的规定;系统最大工作压力大于1.2 MPa时,系统管道支、吊架的间距不应大于表6的规定。

5 系统组件
5.1一般规定
5.1.1系统应由供水装置、过滤装置、控制阀、细水雾喷头等组件和供水管道组成。
5.1.2 系统组件、管道和管件的公称压力不应小于系统的最大工作压力。泵组系统从水泵吸水口至贮水箱之间的管道、管件、阀门的公称压力不应小于1.0 MPa。
5.1.3系统组件应具有耐腐蚀性能。
5.1.4 系统的主要组件应设置在能避免机械碰撞等损伤的位置,或采取防机械损伤等的措施。
5.1.5系统应具有动作信号反馈功能。
5.2 供水装置与过滤器
5.2.1 瓶组式系统的供水装置应由贮水容器、贮气容器和压力指示装置等部件组成,贮水容器、贮气容器应设置安全泄放阀。
同一系统中的贮水容器或贮气容器,其规格、充装量和充装压力应分别一致。
5.2.2 泵组式系统的供水装置宜由贮水箱、消防水泵、水泵控制柜(盘)、安全阀等部件组成,并应符合下列规定:
a) 贮水箱应采用密封结构,并应采用不锈钢或其他能保证水质的材料;
b) 贮水箱应具有防尘、避光的技术措施;
c) 贮水箱应具有保证自动补水的装置,并应设置液位显示、低液位报警装置和溢流、透气及放空装置;
d) 消防水泵的测试水和泄流水宜回流至贮水箱;
e) 消防水泵应具有自动和手动启动功能,应能采用手动操作方式停泵;稳压泵应具有自动启停功能,主备泵应具有自动切换功能;
f) 消防水泵宜具有巡检运行功能,巡检周期不宜大于7 d;当巡检中接到启动指令时,应能立即退出巡检,进入正常运行状态;
g) 消防水泵控制柜的防护等级不应低于IP54;
h) 安全阀的动作压力应为系统最大工作压力的1.15倍。
5.2.3 系统过滤器应符合下列规定:
a) 过滤器的材质应为不锈钢、铜合金或其他耐腐蚀性能相当的材料;
b) 过滤器的网孔直径不应大于喷头最小喷孔直径的80%;
c) 过滤器的摩擦阻力应能满足系统管网水力计算的要求。
5.2.4 系统供水温度应不低于4 ℃,不大于70 ℃。
5.3 阀门与管道、管件
5.3.1 开式系统分区控制阀应符合下列规定:
a) 应具有接收控制信号实现启动、反馈阀门启闭和故障信号的功能;
b) 应具有自动、手动和机械应急操作功能,并应采用手动操作方式关闭阀门;
c) 应在明显位置设置对应于防护区或防护对象的永久性标识,并应标明水流方向。
5.3.2闭式系统区域控制阀应为带开关锁定或开关指示的阀组。
5.3.3 闭式系统试水阀的接口大小应和管网末端的管道一致,测试水应排至安全的地方。
5.3.4系统管道应采用奥氏体不锈钢管,或其他耐腐蚀和耐压性能相当的金属管材。管道的材质和性能应符合GB/T 14976和GB/T 12771的有关规定。
系统最大工作压力不小于3.50 MPa时,应采用符合GB/T 20878中规定牌号为022Cr17Ni12Mo2的奥氏体不锈钢无缝钢管,或其他耐腐蚀和耐压性能不低于该牌号材料的金属管道。
5.3.5系统管件应满足GB 50235相关要求。系统管道连接件的材质应与管道相同。系统管道宜采用专用接头或法兰连接,也可采用氩弧焊焊接。
6 系统控制
6.1 泵组式系统应具有自动、手动控制方式。瓶组式系统应具有自动、手动和机械应急操作控制方式,其机械应急操作方式应能在瓶组间内直接手动启动系统。
6.2开式系统的自动控制应能在接收到两个独立的火灾信号后启动。闭式系统的自动控制应能在喷头动作后,由动作信号反馈装置直接联锁启动。
手动控制应能在消防控制室和防护区外手动操作并启动系统。泵组式系统还应能在泵房就地操作并启动系统。
6.3 设置有系统的场所以及系统的手动操作位置,应在明显位置设置清楚标明系统的操作指示说明的标识。
手动启动装置和机械应急操作装置应能在一处完成系统启动的全部操作,并应采取防误操作的措施。不同操作方式在外观上应便于辨别,并应有与所保护场所对应的明确标识。
6.4火灾报警联动系统应能远程启动消防水泵或瓶组、开式系统分区控制阀,并应能接收消防水泵的工作状态、分区控制阀的启闭状态及细水雾喷放的反馈信号。
6.5 系统应设置备用电源。系统的主备电源应能自动和手动切换。当系统采用气动动力源时,应保证系统操作与控制所需要的压力和用气量。
6.6 系统启动时,应联动切断或关闭防护区内或保护对象的除密集架柜电源之外的非消防电源等影响灭火效果或因灭火可能带来更大危害的设备和设施。
6.7档案装具采用密集架柜时,密集架柜的架与架之间宜留20 cm 的间隙,以保证灭火效能;密集架柜内设火灾自动报警系统且密集架柜的开启联动时,密集架柜之间可不留间隙,发生火灾时,由火灾自动报警系统联动打开密集架柜。
6.8 与系统联动的火灾自动报警和控制系统的设计,应符合GB 50116和GB 16806的有关规定。
7 系统施工、调试及验收
7.1 一般规定
7.1.1系统的子分部工程、分项工程划分可按附录E确定。
7.1.2施工应由具有相应资质的专业施工单位承担。
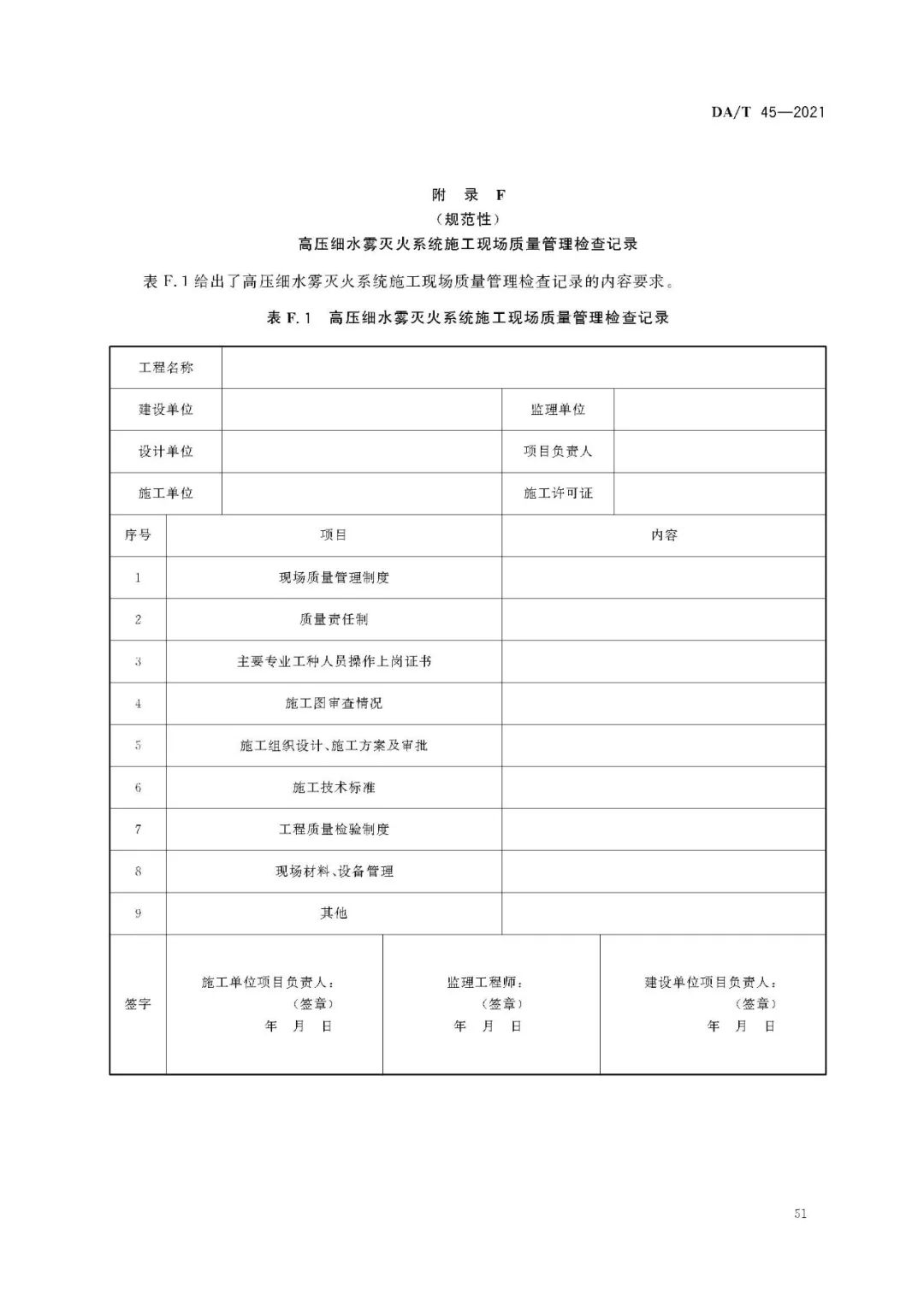
7.1.3施工现场应具有相应的施工组织计划,健全的质量管理体系和施工质量检查制度,实现施工全过程质量控制。施工现场质量管理应按附录F填写记录。
7.1.4施工应按照经审核批准的工程设计文件进行。设计变更应经原设计单位同意并进行。
7.1.5施工过程应按下列规定进行质量控制:
a) 应按7.2的规定对系统组件、材料等进行进场检验,检验合格并经监理工程师签证方可安装使用;
b) 各工序应按施工组织计划进行质量控制;每道工序完成后,相关专业工种之间应进行交接检验并做记录,经监理工程师检查认可后方可进行下道工序施工;
c) 应由监理工程师组织施工单位对施工过程进行检查;
d) 隐蔽工程在隐蔽前,施工单位应通知有关单位进行验收并记录。
7.1.6 系统安装过程中应采取必要的安全防护措施。
7.1.7系统安装完毕,施工单位应进行系统调试。当系统需与有关的火灾自动报警系统及联动控制设备联动时,应联合进行调试。
调试合格后,施工单位应向建设单位提供质量控制资料和按附录G 填写的全部施工过程检查记录,并提交验收申请报告申请验收。
7.1.8 系统的验收应由建设单位组织施工、设计、监理等单位共同进行,并按附录H 和附录I记录。
7.1.9系统验收合格后,应将系统恢复至正常运行状态,并向建设单位移交竣工验收文件资料和系统工程验收记录。系统验收不合格不得投入使用。
7.2 进场检验
7.2.1材料和系统组件的进场检验应按照表G.1填写施工过程质量检查记录。
7.2.2 管材及管件的材质、规格、型号、质量等应符合设计要求和国家现行有关标准的规定。
检查数量:全数检查。
检查方法:检查出厂合格证或质量认证书。
7.2.3 管材及管件的外观应符合下列规定:
a) 表面应无明显的裂纹、缩孔、夹渣、折叠、重皮等缺陷;
b) 法兰密封面应平整光洁,不应有毛刺及径向沟槽;螺纹法兰的螺纹表面应完整无损伤;
c) 密封垫片表面应无明显折损、皱纹、划痕等缺陷。
检查数量:全数检查。
检查方法:观察检查。
7.2.4管材及管件的规格、尺寸、壁厚和允许偏差应符合有关产品标准和设计的要求。
检查数量:每一规格、型号产品按件数抽查20%,且不得少于1件。
检查方法:用钢尺和游标卡尺测量。
7.2.5贮水瓶组、贮气瓶组、泵组单元、控制柜(盘)、贮水箱、分区控制阀、过滤器、安全阀等系统主要组件的规格、型号应符合国家现行产品标准和设计要求。
检查数量:全数检查。
检查方法:检查产品出厂合格证和有效质量证明文件。
7.2.6贮水瓶组、贮气瓶组、泵组单元、贮水箱、分区控制阀、过滤器、安全阀等系统组件的外观应符合下列规定:
a) 无变形及其他机械性损伤;
b) 外露非机械加工表面保护涂层完好;
c) 所有外露口均设有防护堵盖,且密封良好;
d) 铭牌标记清晰、牢固、方向正确;
e) 瓶组签封完好。
检查数量:全数检查。
检查方法:观察检查,并检查产品出厂合格证和有效质量证明文件。
7.2.7 细水雾喷头的进场检验应符合下列要求:
a) 喷头的商标、型号、制造厂及生产时间等标志应齐全、清晰;
b) 喷头的数量和规格型号等应满足设计要求;
c) 喷头外观应无加工缺陷和机械损伤;
d) 喷头螺纹密封面应无伤痕、毛刺、缺丝或断丝现象。
检查数量:不同型号规格分别抽查1%,且不得少于5只。
检查方法:观察检查,并检查喷头出厂合格证和有效质量证明文件。
7.2.8 阀组的进场检验应符合下列要求:
a) 各阀门的商标、型号、规格等标志应齐全;
b) 各阀门及其附件应配备齐全,不得有加工缺陷和机械损伤;
c) 控制阀的明显部位应有标明水流方向的永久性标志;
d) 控制阀的阀瓣及操作机构应动作灵活、无卡涩现象,阀体内应清洁、无异物堵塞。
检查数量:全数检查。
检查方法:观察检查,并检查产品出厂合格证和有效质量证明文件。
7.2.9贮气瓶组进场时,驱动装置应按产品使用说明规定的方法进行动作检查,动作应灵活、无卡阻现象。
检查数量:全数检查。
检查方法:观察检查。
7.2.10材料和系统组件在设计上有复验要求或对质量有疑义时,应由监理工程师抽样,并由具有相应资质的检测单位进行检测复验,其复验结果应符合国家现行产品标准和设计要求。
检查数量:按设计要求数量或送检需要量。
检查方法:检查复验报告。
7.2.11进场抽样检查时有1件不合格,应加倍抽样;若仍有不合格,则判定该批产品不合格。
7.3 安装
7.3.1 系统施工前,设计单位应向施工单位进行技术交底,并应具备下列条件:
a) 经审核批准的设计施工图、设计说明书及设计变更等技术文件齐全;
b) 系统及其主要组件的安装使用、维护说明书等资料齐全;
c) 系统组件和材料应满足7.2的相关规定,具备有效质量证明文件和产品出厂合格证,系统中采用的不能复验的产品,应具有生产厂出具的同批产品检验报告与合格证;
d) 系统组件、管件及其他设备、材料等的品种、规格、型号符合设计要求;
e) 防护区或防护对象及设备间的设置条件与设计文件相符;
f) 系统所需的预埋件和预留孔洞等符合设计要求;
g) 施工现场和施工中使用的水、电、气满足施工要求。
7.3.2系统的安装应按表G.2~表G.5填写施工过程记录和隐蔽工程验收记录。
7.3.3贮水瓶组、贮气瓶组的安装应符合下列规定:
a) 应按设计要求确定瓶组的安装位置;
b) 瓶组的安装、固定和支撑应稳固,且固定支框架应进行防腐处理;
c) 瓶组容器上的压力表应朝向操作面,安装高度和方向应一致。
检查数量:全数检查。
检查方法:尺量和观察检查。
7.3.4 泵组的安装除应符合GB 50231和GB 50275的有关规定外,还应符合下列规定:
a) 系统采用需要润滑脂的柱塞泵时,泵组安装后应充装润滑油并检查油位;
b) 泵组吸水管上的变径处应采用偏心大小头连接;
c) 泵组进出口管道安装前应冲洗管道。
检查数量:全数检查。
检查方法:观察检查,高压泵组应启泵检查。
7.3.5 泵组控制柜的安装应符合下列规定:
a) 控制柜基座的水平度误差不应大于±2 mm,并应做防腐处理及防水措施;
b) 控制柜与基座应采用直径不小于12 mm 的螺栓固定,每只柜不应少于4只螺栓;
c) 做控制柜的上下进出线口时,不应破坏控制柜的防护等级;
d) 控制柜安装的位置不得影响柜门的启闭及操作。
检查数量:全部检查。
检查方法:观察检查。
7.3.6阀组的安装除应符合GB 50235的相关规定外,还应符合下列规定:
a) 应按设计要求确定阀组的观测仪表和操作阀门的安装位置,并应便于观测和操作。阀组上的启闭标志应便于识别;控制阀上应设置标明所控制防护区的永久性标志牌。带有箱体的阀组安装时箱门启闭不得受任何阻碍;
检查数量:全数检查。
检查方法:观察检查和尺量检查。
b) 分区控制阀的安装高度宜为1.2 m~1.6 m,操作面与墙或其他设备的距离不应小于0.8 m,并应满足操作要求;
检查数量:全数检查。
检查方法:对照图纸尺量检查和操作阀门检查。
c) 闭式系统试水阀的安装位置应便于检查、试验。
检查数量:全数检查。
检查方法:尺量和观察检查,必要时可操作试水阀检查。
7.3.7 管道和管件的安装除应符合GB 50235和GB 50236的相关规定外,还应符合下列规定:
a) 管道安装前应分段进行清洗,清洗后及时封堵。施工过程中,应保证管道内部清洁,不得留有焊渣、焊瘤、氧化皮、杂质或其他异物。安装完成后的管道应及时封堵。
b) 同排管道法兰的间距应方便拆装,且不宜小于100 mm。
c) 管道穿过墙体、楼板处应使用套管;穿过墙体的套管长度不应小于该墙体的厚度,穿过楼板的套管长度应高出楼地面50 mm。管道与套管间的空隙应采用防火封堵材料填塞密实。管道应采取导除静电的措施。
d) 管道焊接的坡口形式、加工方法和尺寸等,均应符合GB/T 985.1的有关规定;管道之间或与管接头之间的焊接应采用对口焊接。
e) 管道的固定应符合4.7.6和4.7.7的规定。
f) 管道安装完毕后应进行冲洗和试压。
检查数量:全数检查。
检查方法:尺量和观察检查。
7.3.8管道冲洗应符合下列规定:
a) 应使用满足系统要求水质的水进行冲洗;
b) 冲洗流速不应低于设计流速;
c) 冲洗前,应对系统的仪表采取保护措施,并应对管道支、吊架进行检查,必要时应采取加固措施;
d) 冲洗合格后,应按表G.3填写管道冲洗记录。
检查数量:全数检查。
检查方法:宜采用最大设计流量,沿灭火时管网内的水流方向分区、分段进行,用白布检查无杂质为合格。
7.3.9管道冲洗合格后应进行压力试验,并应符合下列规定:
a) 试验用水的水质应与管道的冲洗水一致;
b) 试验压力应为系统工作压力的1.5倍;
c) 试验的测试点宜设在系统管网的最低点,对不能参与试压的设备、仪表、阀门及附件应加以隔离或在试验后安装;
d) 试验合格后,应按表G.4填写试验记录。
检查数量:全数检查。
检查方法:管道充满水、排净空气,用试压装置缓慢升压,当压力升至试验压力后,稳压5 min,管道无损坏、变形,再将试验压力降至设计压力,稳压120 min,以压力不降、无渗漏、目测管道无变形为合格。
7.3.10系统管道在水压强度试验合格后,宜采用压缩空气或氮气吹扫,吹扫压力不应大于管道的设计压力,流速不宜小于20 m/s。
检查数量:全数检查。
检查方法:在管道末端设置贴有白布或涂白漆的靶板,以5 min内靶板上无锈渣、灰尘、水渍及其他杂物为合格。
7.3.11喷头的安装应符合下列规定:
a) 应在管道试压、吹扫合格后进行;
b) 安装时,应根据设计文件逐个核对其生产厂标志、型号、规格和喷孔方向,不得对喷头进行拆装、改动;
c) 应采用专用扳手安装;
d) 喷头安装高度、间距,与吊顶、门、窗、洞口或障碍物的距离应符合设计要求;
e) 不带装饰罩的喷头,其连接管管端螺纹不应露出吊顶;带装饰罩的喷头应紧贴吊顶;带有外置式过滤网的喷头,其过滤网不应伸入支干管内;
f) 喷头与管道的连接宜采用端面硬密封或O 型圈密封,不应采用聚四氟乙烯、麻丝、黏结剂等作密封材料。
检查数量:全数检查。
检查方法:观察检查。
7.3.12与系统联动的火灾自动报警系统和其他联动控制装置的安装,应符合GB 50166的规定。
7.4 调试
7.4.1 系统调试前,应具备下列条件:
a) 系统及与系统联动的火灾报警系统或其他装置、电源等均应处于准工作状态,现场安全条件符合调试要求;
b) 系统调试时所需的检查设备齐全,调试所需仪器、仪表应经校验合格并与系统连接和固定;
c) 应具备7.3.1所列技术资料和表F.1、表G.1~表G.4所列现场检查记录;
d) 应具备经监理单位批准的调试方案。
7.4.2调试人员应根据批准的方案按程序进行系统调试。
7.4.3系统调试应包括泵组、稳压泵、控制阀的调试和联动试验,还有瓶组式系统的模拟启动。
7.4.4 泵组调试应符合下列规定:
a) 以自动或手动方式启动泵组时,泵组应立即投入正常运行;
检查数量:全数检查。
检查方法:手动和自动启动泵组。
b) 以备用电源切换方式或备用泵切换启动泵组时,泵组应立即投入正常运行;
检查数量:全数检查。
检查方法:手动切换启动泵组。
c) 采用柴油泵作为备用泵时,柴油泵的启动时间不应大于5 s;
检查数量:全数检查。
检查方法:手动启动柴油泵。
d) 控制柜应进行空载和加载控制调试,控制柜应能按其设计功能正常动作和显示。
检查数量:全数检查。
检查方法:使用电压表、电流表和兆欧表等仪表通电观察检查。
7.4.5稳压泵调试时,在模拟设计启动条件下,稳压泵应能立即启动;当达到系统设计压力时,应能自动停止运行。
检查数量:全数检查。
检查方法:模拟设计启动条件启动稳压泵检查。
7.4.6 控制阀调试应符合下列规定:
a) 对于闭式系统,区域控制阀后或控制阀上的动作信号反馈装置应能及时动作并发出动作反馈信号;
检查数量:全数检查。
检查方法:在试水阀处放水或手动关闭控制阀,观察检查。
b) 对于开式系统,分区控制阀应能在接到动作指令后立即启动。
检查数量:全数检查。
检查方法:采用自动和手动方式启动控制阀,水通过试验阀排出。观察检查。
7.4.7 联动试验应符合下列规定:
a) 对于闭式系统,从试水阀处放水时,相应的压力信号反馈装置和泵组等均可及时动作并发出相应的动作信号;
检查数量:全数检查。
检查方法:打开阀门放水,观察检查。
b) 对于开式系统,采用模拟火灾信号启动系统,相应的分区控制阀、动作信号反馈装置和泵组等应均能及时动作并发出相应的信号;
检查数量:全数检查。
检查方法:观察检查。
c) 在模拟火灾信号下,火灾报警装置应能自动发出报警信号;当系统动作时,相关的气源和通风控制装置应能发出自动切断指令并能关断。
检查数量:全数检查。
检查方法:模拟火灾信号,观察检查。
7.4.8瓶组式系统应对所有防护区或防护对象进行系统手动/自动模拟启动试验,其结果应符合下列规定:
a) 延迟时间与设定时间相符;
b) 有关声、光报警信号正确;
c) 联动设备动作正确;
d) 驱动装置动作可靠。
检查数量:全数检查。
检查方法:手动模拟启动试验: 按下手动启动按钮,观察相关动作信号及联动设备动作是否正常;
自动模拟启动试验:
1) 将灭火控制器的启动输出端与灭火系统相应防护区驱动装置。启动装置应与阀门的动作机构脱离。也可用1个启动电压、电流与驱动装置相同的负载代替。
2) 人工模拟火警使防护区内任意1个火灾探测器动作,观察单一火警信号输出后,相关报警设备动作是否正常。
3) 人工模拟火警使该防护区内另一个火灾探测器动作,观察复合火警信号输出后,相关动作信号及联动设备动作是否正常。
7.4.9 系统调试合格后,应按表G.6填写调试记录,并应用压缩空气或氮气吹扫,将系统恢复至准工作状态。
7.5 验收
7.5.1系统验收时,应提供下列资料,并应按附录H 填写质量控制资料核查记录:
a) 经图审合格的设计施工蓝图、设计说明书、设计变更通知书,全套竣工图;
b) 主要系统组件和材料的有效质量证明文件和产品出厂合格证;
c) 系统及其主要组件的安装使用和维护说明书;
d) 施工单位的有效资质文件和施工现场质量管理检查记录;
e) 系统施工过程质量检查记录;
f) 系统试压记录、管网冲洗记录和隐蔽工程验收记录;
g) 系统调试报告、系统检测报告;
h) 系统验收申请报告。
7.5.2 泵组式系统供水水源的检查验收应符合下列规定:
a) 室外给水管网的进水管管径及供水能力、贮水箱的容量,均应符合设计要求;
b) 水源的水质应符合设计规定的标准;
c) 过滤器的设置应符合设计要求。
检查数量:全数检查。
检查方法:对照设计资料采用流速计、尺等测量和观察检查;水质取样检查。
7.5.3 泵组验收应符合下列规定:
a) 工作泵、备用泵、吸水管、出水管、出水管上的泄压阀、止回阀、信号阀等的规格、型号、数量应符合设计要求;吸水管、出水管上的检修阀应锁定在常开位置,并应有明显标记;
检查数量:全数检查。
检查方法:对照设计资料和产品说明书观察检查。
b) 泵组的引水方式应符合设计要求;
检查数量:全数检查。
检查方法:观察检查。
c) 试水阀的压力开关等信号装置的功能均应符合设计要求;
检查数量:全数检查。
检查方法:开启试水阀,观察检查。
d) 泵组在主电源下应能在规定时间内正常启动;
检查数量:全数检查。
检查方法:打开消防水泵出水管上的手动测试阀,利用主电源向泵组供电;关掉主电源检查主备电源的切换情况,用秒表等观察检查。
e) 当系统管网中的水压下降到设计最低压力时,稳压泵应能自动启动;
检查数量:全数检查。
检查方法:使用压力表,观察检查。
f) 泵组启动控制应处于自动启动位置;
检查数量:全数检查。
检查方法:降低系统管网中的压力,观察检查。
g) 控制柜的规格、型号、数量应符合设计要求;控制柜的图纸塑封后应牢固粘贴于柜门内侧;控制柜的动作应能完成本文件的要求。
检查数量:全数检查。
检查方法:观察检查。
7.5.4 贮气瓶组和贮水瓶组的验收应符合下列规定:
a) 瓶组的数量、型号、规格、安装位置、固定方式和标志应符合设计要求和7.3.3的规定;
检查数量:全数检查。
检查方法:观察和测量检查。
b) 贮水瓶组内水的充装量和贮气瓶组内氮气或压缩空气的贮存压力应符合设计要求;
检查数量:称重检查按贮水瓶组全数(不足5个按5个计)的20%检查;贮存压力检查按贮气瓶组全数检查。
检查方法:称重、用液位计或压力计测量。
c) 瓶组的机械应急操作处的标志应符合设计要求。应急操作装置应有铅封的安全销或防护罩。
检查数量:全数检查。
检查方法:观察检查、测量检查。
7.5.5控制阀的验收应符合下列规定:
a) 控制阀的型号、规格、安装位置、固定方式和标志应符合设计要求和7.3.6的规定;
检查数量:全数检查。
检查方法:观察检查。
b) 试水阀的流量、压力应符合设计要求;
检查数量:全数检查。
检查方法:打开试水阀,使用流量计、压力表观察检查。
c) 分区控制阀组应能可靠动作;
检查数量:全数检查。
检查方法:手动和电动启动分区控制阀,观察检查。
d) 分区控制阀前后的阀门均应处于常开位置。
检查数量:全数检查。
检查方法:观察检查。
7.5.6管网验收应符合下列规定:
a) 管道的材质、规格、管径、连接方式、安装位置及采取的防冻措施应符合设计要求和7.3.7的相关规定;
检查数量:全数检查。
检查方法:观察检查和核查相关证明材料。
b) 管网上的控制阀、动作信号反馈装置、止回阀、试水阀、排气阀等,其规格和安装位置均应符合设计要求;
检查数量:全数检查。
检查方法:观察检查。
c) 管道固定支、吊架的固定方式,支、吊架的间距及其与管道间的防电化学腐蚀措施应符合4.7的有关规定。
检查数量:按总数抽查20%,且不得少于5处。
检查方法:尺量和观察检查。
7.5.7 喷头验收应符合下列规定:
a) 喷头的数量、规格、型号以及闭式喷头的公称动作、温度等应符合设计要求;
检查数量:全数核查。
检查方法:观察检查。
b) 喷头的安装位置、安装高度、间距及与墙体、梁等障碍物的距离偏差均应符合设计要求和7.3.11的相关规定;
检查数量:全数核查。
检验方法:对照图纸尺量检查,距离偏差不应大于±15 mm。
c) 不同型号规格喷头的备用量不应小于其实际安装总数的1%,且每种备用喷头数不应少于5只。
检查数量:全数检查。
检查方法:计数检查。
7.5.8 每个系统应进行模拟灭火功能试验,并应符合下列规定:
a) 动作信号反馈装置应能正常动作,并应能在动作后启动泵组及与其联动的相关设备,可正确发出反馈信号;
检查数量:全数检查。
检查方法:利用模拟信号试验,观察检查。
b) 开式系统的分区控制阀应能正常开启,并可正确发出反馈信号;
检查数量:全数检查。
检查方法:利用模拟信号试验,观察检查。
c) 系统的流量、压力均应符合设计要求;
检查数量:全数检查。
检查方法:利用系统流量压力检测装置通过泄放试验,观察检查。
d) 泵组及其他消防联动控制设备应能正常启动,并应有反馈信号显示;
检查数量:全数检查。
检查方法:观察检查。
e) 主、备电源应能在规定时间内正常切换。
检查数量:全数检查。
检查方法:模拟主备电切换,采用秒表计时检查。
7.5.9对于允许喷雾的防护区或被保护对象,系统应进行冷喷试验;对于不允许喷雾的防护区或保护对象,应进行模拟喷雾试验。除应符合7.5.8的规定外,其响应时间应符合设计要求。
检查数量:至少1个系统、1个防火区或1个防护对象。
检查方法:自动启动系统,采用秒表等观察检查。
7.5.10 系统工程质量验收判定条件:
a) 系统工程质量缺陷应按表7划分为严重缺陷项、一般缺陷项和轻度缺陷项;

b) 当无严重缺陷项、一般缺陷项不多于2项、一般缺陷项与轻度缺陷项之和不多于6项,可判定系统验收为合格;否则,应判定为不合格。
8 系统维护管理
8.1 系统的维护管理应制定维护管理制度,并应根据维护制度和操作规程进行,使系统处于正常运行状态。
8.2 系统的维护管理应由经过培训的人员承担。维护管理人员应熟悉系统的工作原理和操作维护方法与要求。
8.3 系统的维护管理宜按附录J的表J.1的要求进行,并应按表J.2填写系统维护管理记录。
8.4 系统发生故障并需停用进行维修时,应经消防责任人批准并在采取相应的防范措施后进行。
8.5 系统维护检查中发现的问题应及时按规定要求处理。
8.6 系统应按本文件要求进行年检、季检、月检和日检。
8.7 系统每年应至少进行1次年检,并应符合下列规定:
a) 应定期测定1次系统水源的供水能力;
b) 应对系统组件、管道及管件进行1次全面检查,清洗贮水箱、过滤器,并对控制阀后的管道进行吹扫;
c) 贮水箱应每半年换水1次,贮水容器内的水应按产品制造商的要求定期更换,不少于每半年1次;
d) 应进行系统模拟灭火试验,并应符合7.5.8的规定。
8.8 系统每季度应进行1次季检,并应符合下列规定:
a) 应通过试验阀对泵组式系统进行1次放水试验,检查泵组启动、主备泵切换及报警联动功能是否正常;
b) 应检查瓶组式系统的控制阀动作是否正常;
c) 应检查管道和支、吊架是否松动,管道连接件是否变形、老化或有裂纹等现象。
8.9 系统每月应进行1次月检,并应符合下列规定:
a) 应检查系统组件的外观,应无碰撞变形及其他机械性损伤;
b) 应检查分区控制阀动作是否正常;
c) 应检查阀门上的铅封或锁链是否完好,阀门是否处于正确位置;
d) 应检查贮水箱和贮水容器的水位及贮气容器内的气体压力是否符合设计要求;
e) 对于闭式系统,应利用试水阀对动作信号反馈情况进行试验,观察其是否正常动作和显示;
f) 应检查喷头的外观及备用数量是否符合要求;
g) 应检查手动操作装置的防护罩、铅封等是否完整无损。
8.10 系统每日应进行1次日检,并应符合下列规定:
a) 应检查控制阀等各种阀门的外观及启闭状态是否符合设计要求;
b) 应检查系统的主备电源接通情况;
c) 寒冷和严寒地区应检查设置储水设备的房间温度,且不应低于5 ℃;
d) 应检查报警控制器、水泵控制柜(盘)的控制面板及显示信号状态;
e) 系统的标志和使用说明等标识是否正确、清晰、完整,处于正确位置。
















